该产品在选型时除了认准我工厂商标外。要点总结如下:
一:适用范围
CJX2-F(LC1-F)系列交流接触器适用于交流50Hz或60Hz,额定电压至1000V,额定电流至800A的电力线路中,供远距离接通与分断电路或频繁的控制交流电动机,并可与热继电器组成电磁起动器。
产品符合GB14048.4标准。
二:型号及含义

一些常见的型号有:
CJX2-F115、CJX2-F150、CJX2-F185、CJX2-F225
CJX2-F265、CJX2-F330、CJX2-F400、CJX2-F500、CJX2-F630
CJX2-F800(LC1-F115、LC1-F150、LC1-F185、LC1-F225、LC1-F265
LC1-F330、LC1-F400、LC1-F500、LC1-F630、LC1-F800
三:主要技术参数
型号 |
额定工作电流A |
AV3额定控制功率(KW) |
||||||||
AC1 〈40℃ |
400V AC3 |
230V |
400V |
415V |
440V |
500V |
690V |
1000V |
重量kg |
|
CJX2-F115 |
200 |
115 |
30 |
55 |
59 |
59 |
75 |
80 |
65 |
3.0 |
CJX2-F150 |
250 |
150 |
40 |
75 |
80 |
80 |
90 |
100 |
65 |
3.0 |
CJX2-F185 |
275 |
185 |
55 |
90 |
100 |
100 |
110 |
110 |
100 |
4.1 |
CJX2-F225 |
315 |
225 |
59 |
110 |
110 |
110 |
129 |
129 |
100 |
4.2 |
CJX2-F265 |
350 |
265 |
75 |
132 |
140 |
140 |
160 |
160 |
147 |
6.7 |
CJX2-F330 |
450 |
330 |
90 |
160 |
180 |
200 |
200 |
220 |
160 |
7.6 |
CJX2-F400 |
500 |
400 |
110 |
200 |
220 |
250 |
257 |
280 |
185 |
8.1 |
CJX2-F500 |
700 |
500 |
147 |
250 |
280 |
295 |
335 |
335 |
335 |
10.2 |
CJX2-F630 |
1000 |
630 |
200 |
335 |
375 |
400 |
400 |
450 |
450 |
17.1 |
CJX2-F800 |
1600 |
800 |
220 |
400 |
425 |
425 |
450 |
475 |
450 |
36.5 |
注:重为三级接触器的重量
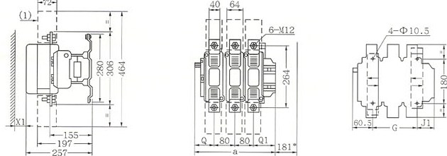
四:外形及安装尺寸


CJX2-F400、CJX2-F500


CJX2-F630


CJX2-F800


115-300扳上安装



CJX2-F115-300 CJX2-F400-800

CJX2-F(LC1-F)交流接触器的尺寸说明

如果你希望了解CJX2-F(LC1-F)交流接触器的更多信息,如使用说明,价格,维修保养等相关信息,请联系我们。



















