该产品在选型时除了认准我工厂商标外。需要注意的要点总结如下:
一:适用范围

CJX1系列交流接触器适用于交流50Hz或60Hz、电压至690V、电流至475A的电力线路中,供远距离频繁起动和控制电动机及接通与分断电路。经加装机械联锁机构后组成CJX1系列可逆接触器,可控制电动机的起动、停止及反转。
二:型号及其含义

需要说明的是,常开常闭的触头一般为0,1,2三种,所以搭配起来就有00,10,02,11,22等情况,所以相应的产品型号也是非常多的。
常见的型号有CJX1-9/22 CJX1-12/22 CJX1-16/22 CJX1-22/22
CJX1-32/22 CJX1-45/22 CJX1-63/22 CJX1-75/22 CJX1-85/22
CJX1-110/22 CJX1-140/22 CJX1-170/22 CJX1-205/22 CJX1-250/22
CJX1-300/22 CJX1-400/22 CJX1-475/22
三:结构特征
CJX1交流接触器为双断点直动式结构,具有三对常开触头,辅助触头最多为2常开、2常闭。触头支持件与衔铁采用弹性锁扣联结,消除了薄弱环节。在触头支持件或灭弧罩上设有试操作杆,便于手动操作和作为动作指示,Ie≤22A接触器无灭弧隔弧板,Ie≥32A为塑料灭弧罩并装有金属隔弧板。触头材料采用具有高抗熔焊性及耐腐蚀的银合金。接线螺钉采用新型自升起螺钉,瓦形垫与螺钉部分立刻节省接线工时。全系列产品均可用螺钉安装,Ie≤32A的产品还可采用快速嵌入导轨紧固。
四:主要技术参数
1.产品符合IEC60947、BS5424及GB14048.4-2003等标准。
2.主要性能见表2
3.寿命见表2
4.辅助触头主要技术参数见表1
5.接触器的额定控制电源电压(Us)的标准值为交流(50Hz)36V、127V、220V、380V
6.接触器在额定电源电压的85%-110%(热态)范围内应能可靠吸合,释放电压在20%-75%的范围内。

表2

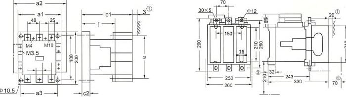
五:外形及安装尺寸

CJXI-45~85 CJXI-105~170

CJXI-45/22~CJX1-85/22外型及安装尺寸图

CJXI-105/22~CJX1-170/22外型及安装尺寸图

CJXI-250/22~CJX1-475/22

CJXI-250/22~CJX1-475/22外型及安装尺寸图

如果你希望了解CJX1交流接触器的更多内容,如使用说明,价格,维修等相关信息,请联系我们。



















