HD11FA刀开关.pdf(HD11FA防误型隔离器的详细产品资料,下载时请右键另存为)
除了认准知名商标,如人民,以及在此基础上对比产品性能价格。该产品在选型中需要注意的要点总结如下:
一:开关简介

HD11FA刀开关(防误型隔离器)适用于额定绝缘电压660V,额定工作电压400V,额定工作电流200A至1600A,主要用于低压成套设备中,在无负荷的情况下,用作分合电路,隔离电源之用,本隔离器技术性能符合 IEC60947-3、GBI4048.3标准。
二:结构特征
HD11F中的200、400A隔离器为单刀片,触头为两接触片铆合,合闸时靠触头的片状弹簧夹紧、以保证触头压力;600、1000、1600A为双刀片,外侧有片状弹簧压紧保证可靠的接触压力,刀片转动部分由弹性球面垫圈压紧。本系列隔离器操作手柄,采用盖板式结构,刀片直接固定在绝缘盖板上,能够防止操作人员在操作过程中触及隔离器的带电部分。在隔离器安装板上装有LXI9B行程开关,由盖板断开,闭合位置控制行程开关触头状态,在结构上保证行程开关常闭触头先于触头而断开,后于主触头而闭合。
本系列隔离器还具有锁扣机构,可通过锁扣机构进行锁定,使隔离器不能断开操作,并能承受短时冲击电流可产生的误动作。若进行断开操作时,需通过解锁机构进行解锁,解锁后方可进行断开操作。
三:型号及含义

HD11FA隔离器的常见型号:HD11FA-200/38 HD11DA-400/38 HD11FA-630/38 HD11FA-1000/38 HD11FA-1600/38
四:主要技术参数

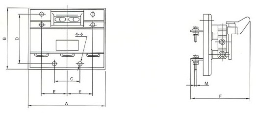
五:外形与安装尺寸
1.HD11FA-200~HD11FA-1600A板前接线 外形与安装尺寸(见图1、表1)
图1:HD11FA-200~1600A


图2:HD11FA-200~1600/39


六:安全与注意事项
本系列隔离器严禁带负荷操作。断开操作时,应将解锁机构置于“解锁”位置;闭合操作后应检查锁扣机构是否处于“锁定”位置。
隔离器必须在线路与电源隔离即不带电情况下,才允许进行检修。
隔离器投入使用后,应定期进行检修。
如果你希望了解HD11FA刀开关的更多信息,如使用说明,价格和维修等相关信息,请联系我们。



















