电话:021-56327075 传真:021-56327030
变频器乃电子产品,所以其安装、调试及调整参数都需要注意安全,从而有一本说明书来提醒人们如何处理搬运,安装,运转,检查等工作是十分有必要的。公司的主要变频器品种有YT系列(亚泰)和SRR系列(上海人民电器开关厂)。所以这里介绍下说明书。如果需要完整的变频器说明书,请联系我们!
一:前言
危险(错误使用时,可能造成人员伤亡)
注意(错误使用时,可能造成变频器或机械系统损坏)
二:安全使用注意事项
a-送电前
1.所选用电源电压必须与变频器输入电压规格相同。
2.端子必须单独接地,绝对不可接零线,否则极易引发变频器保护或故障。
3.电源与变频器之间请不要安装接触器,用来操作变频器的起动或停止,否则会影响变频器的使用寿命。
4. 主回路端子配线必须正确,R.S.T为电源输入端子,绝对不可与U.V.W混用,否则在送电时,将造成变频器的损坏。
5.请不要将变频器安装在含有爆炸性气体的环境中,否则会有引发爆炸的危险。
6.若多台变频器安装在同一个控制柜内,请外加散热风扇,使箱内温度低于40度,以防止过热或火灾发生。
7.本变频器只能用于本公司所认可的场合,未经许可的使用环境可能导致火灾、气爆、感电等事故。
8.请防止小孩或无关人员接近变频调速器。
b-送电中
1.送电中绝不可插拔变频器上之连接器(CONNECTOR)以避免控制主板因插拔所产生之突波进入,造成变频器损坏。
2.送电前请盖好盖板,以防触电,造成人身伤害。
c-运转中
1.变频器运转过程中严禁将马达机组投入或切离,否则会造成变频器过电流跳脱,甚至将变频器主回路烧毁。
2.变频器送电中请勿取下前盖,以防止感电受伤。
3.变频器运转过程中请勿检查电路板上的信号,以免发生危险。
4.停止开关的功能需设定才有效,与紧急停止开关的用法不同,请注意使用。
三:安装
a-安装场所与环境(安装场所的环境将影响变频器的使用寿命)
1.周围温度:-5度~40度且通风情况良好
2.无滴水及湿气低的场所
3.无日光照射,高温及严重落尘的地方
4.无腐蚀性气体及液体的场所
5.极少尘埃,油气及金属尘屑的场所
6.无振动及保养、检查容易的场所
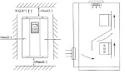
b-安装空间与方向
1.为了冷却及维护方便起见,变频器周围需要留有足够的空间,如图所示:
2.为冷却效果良好,必须将变频器垂直安装,并保证空气流通顺畅。
3.安装如果有不牢的情况,在变频器底座置一平板后再安装。
4.多台变频器安装与同一柜子里,采用上下安装时在注意间距的同时,请在中间加用导流隔板,如图所示:

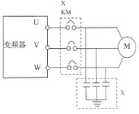
四:配线
主回路配线示意图

电源:请注意电压等级是否一致,以免损坏变频器。
无熔丝开关:请参考相应表格。
漏电开关:请使用具有防高次谐波的漏电开关
电磁接触器:
注意:请不要将电磁接触器作为变频器的电源开关。
交流电抗器:当输出容量大于1000KVA时,建议加装
一交流电抗器,以改善功率因数。
变频器:
请务必正确接好变频器主回路和控制信号线。
请务必正确设定好变频器参数。
关于内部的详细配线以及更加详细完整的说明书资料,请联系我们获得完整的说明书,来帮助您更好的了解。
![]()
![]()
![]()
![]()
CCC,CE,IS0等多项认证
产品质保一年
完善的技术服务支持
上海人民,品牌保证
专业的高低压电器开关、成套设备制造商
公司: www.betway88.com 有限公司
电话:021-56327075
传真:021-56327030
Email: shrmdq@163.com
沪ICP备17030196号-4